网站首页
关于我们
公司简介
资质证书
产品中心
压力变送器系列
差压变送器系列
电容薄膜真空计
液位变送器系列
电量变送器系列
智能单回路数显控制仪系列
智能双回路数显控制仪系列
智能多回路巡检显示控制仪系列
智能流量积算控制仪系列
智能DFD/DFQ型手操器系列
智能PID控制调节仪系列
智能型温度变送器/隔离器/配电器
八回路闪光报警控制仪系列
其他仪器仪表系列
雷达物位计
温度系列
产品说明书
新闻资讯
公司新闻
行业动态
资料下载
联系我们
首页
关于我们
公司简介
资质证书
产品中心
压力变送器系列
差压变送器系列
电容薄膜真空计
液位变送器系列
电量变送器系列
智能单回路数显控制仪系列
智能双回路数显控制仪系列
智能多回路巡检显示控制仪系列
智能流量积算控制仪系列
智能DFD/DFQ型手操器系列
智能PID控制调节仪系列
智能型温度变送器/隔离器/配电器
八回路闪光报警控制仪系列
其他仪器仪表系列
雷达物位计
温度系列
产品说明书
新闻资讯
公司新闻
行业动态
资料下载
联系我们
产品中心
PRODUCT
产品中心
首页
-
产品中心
-
液位变送器系列
-
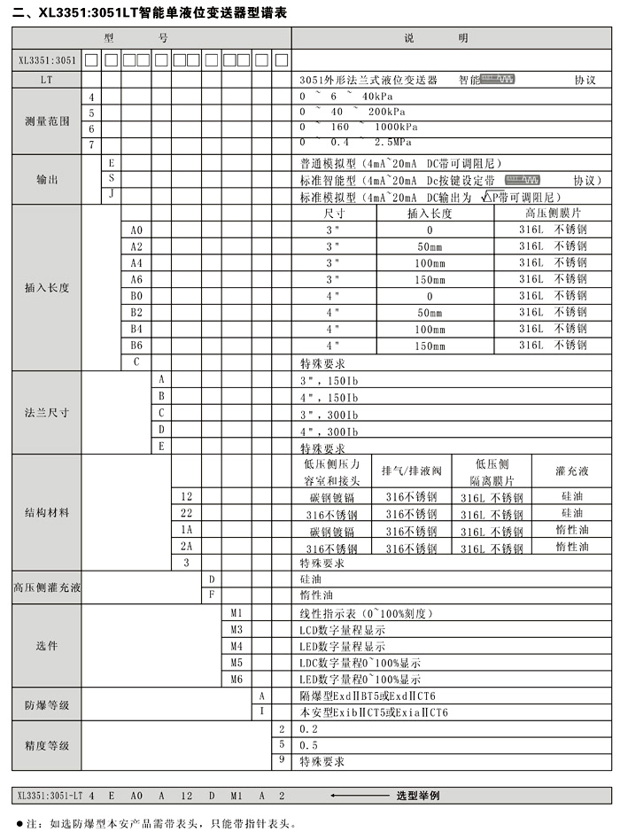
XL-3351LT智能单液位变送器
XL-3351LT智能单液位变送器
如果您有任何问题可以联系我们!
联系我们
电话:0577-62766661
扫一扫,加我为朋友
详细信息
详细信息
XL-800D远传隔离液位变送器
XL-133D法兰式膜片压力变送器
返回
相关产品
XL3051DW单晶硅双远传液位变送器
XL3051GW单晶硅单远传液位变送器
XL3051LW单晶硅单法兰液位变送器
XL800C单法兰液位计
XL801A投入式壳体液位计
XL801B投入式液位计
联系我们
浙江乐清市柳市前西垟工业区
0577-62766661
首页
/
关于我们
/
产品中心
/
新闻资讯
/
产品应用
/
资料下载
/
联系我们
© 温州新乐仪器仪表有限公司
浙ICP备11005521号
XML
网站地图
网站制作维护:
传信网络
浙公网安备 33038202003443号
微信
咨询
扫一扫,加我为朋友
服务
热线
0577-62766661
服务热线